HHD series models are the most economy and effective hopper dryers which can dry plastic materials getting wet in transportation or recycling. They can be directly mounted on the molding machine which saves space for quick drying. The Hot air blows evenly from bottom and there are 11 models to choose from, capacity range: 12kg-1000kg.
|
Type
|
|
HHD-12E
|
HHD-25E
|
HHD-50E
|
HHD-75E
|
HHD-100E
|
HHD-150E
|
|
Loading capacity
|
kg
|
12
|
25
|
50
|
75
|
100
|
150
|
|
Heating power
|
kW
|
2.1
|
2.7
|
3.9
|
5
|
6.4
|
7.8
|
|
Blower power
|
kW
|
0.14
|
0.14
|
0.17
|
0.17
|
0.35
|
0.35
|
|
Weight
|
kg
|
20
|
32
|
43
|
48
|
75
|
82
|
|
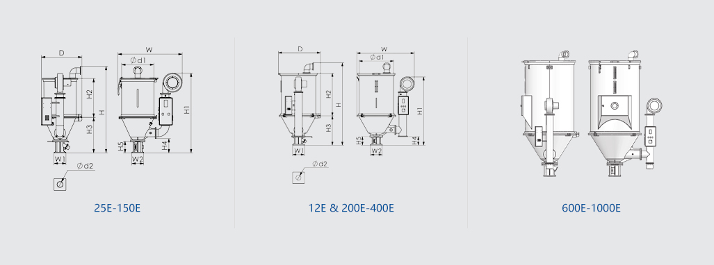
H
|
mm
|
820
|
990
|
1165
|
1250
|
1425
|
1520
|
|
H1
|
mm
|
690
|
945
|
1075
|
1140
|
1220
|
1325
|
|
H2
|
mm
|
380
|
465
|
530
|
620
|
735
|
785
|
|
H3
|
mm
|
325
|
415
|
480
|
475
|
535
|
580
|
|
H4
|
mm
|
45
|
190
|
195
|
200
|
225
|
240
|
|
H5
|
mm
|
110
|
160
|
160
|
160
|
175
|
175
|
|
D
|
mm
|
430
|
490
|
545
|
610
|
685
|
760
|
|
¢d1
|
mm
|
300
|
350
|
435
|
495
|
550
|
630
|
|
¢d2
|
mm
|
42
|
61
|
74
|
74
|
81
|
81
|
|
W
|
mm
|
600
|
745
|
865
|
920
|
1040
|
1105
|
|
W1
|
mm
|
110
|
150
|
160
|
160
|
180
|
180
|
|
W2
|
mm
|
110
|
150
|
160
|
160
|
180
|
180
|
|
Type
|
|
HHD-200E
|
HHD-300E
|
HHD-400E
|
HHD-600E
|
HHD-800E
|
HHD-1000E
|
|
Loading capacity
|
kg
|
200
|
300
|
400
|
600
|
800
|
1000
|
|
Heating power
|
kW
|
10
|
15
|
20
|
27
|
32
|
32
|
|
Blower power
|
kW
|
0.75
|
0.75
|
0.75
|
0.75
|
1
|
1
|
|
Weight
|
kg
|
120
|
150
|
215
|
295
|
320
|
410
|
|
H
|
mm
|
1685
|
1855
|
1995
|
2290
|
2665
|
2830
|
|
H1
|
mm
|
1415
|
1560
|
1630
|
1705
|
1705
|
1750
|
|
H2
|
mm
|
840
|
935
|
1035
|
1270
|
1650
|
1650
|
|
H3
|
mm
|
605
|
685
|
710
|
765
|
765
|
930
|
|
H4
|
mm
|
205
|
215
|
205
|
120
|
120
|
155
|
|
H5
|
mm
|
200
|
210
|
210
|
255
|
255
|
270
|
|
D
|
mm
|
860
|
935
|
1015
|
1180
|
1180
|
1310
|
|
¢d1
|
mm
|
700
|
760
|
835
|
995
|
995
|
1095
|
|
¢d2
|
mm
|
115
|
120
|
120
|
135
|
135
|
135
|
|
W
|
mm
|
1200
|
1305
|
1410
|
1580
|
1580
|
1655
|
|
W1
|
mm
|
230
|
280
|
320
|
320
|
320
|
320
|
|
W2
|
mm
|
230
|
280
|
320
|
320
|
320
|
320
|
Note
The above loading is based on the particle diameter of 3-5mm, the bulk
density of about 0.65kg/L standard plastic raw materialscon version.
The power supply must use the specified voltage.
Have any special needs, please contact us.
Specifications are subject to change without prior notice.
HHD - AAA - BBB
HHD=HUARE Hopper Dryer
AAA=Loading capacity (Kg)
BBB=EM=Magnetic base; HL=Weekly calendar timing + network configuration; MHL=Magnetic base + weekly calendar timing + networking configuration; HHD-HL models are standard for 300E and above;
The appearance is novel and bright;
The hot air is evenly distributed to increase drying efficiency;
Full digital P.I.D control;
The barrel and internal parts are all made of stainless steel;
The barrel is separated from the bottom, easy to clean and quick to change materials;
Overheating protection device can reduce accidents caused by man-made or mechanical failure;
HL model is equipped with main power switch & over temperature trip protection & LCD display & weekly calendar timing;
Exhaust Air Filter/ Fan Inlet Filter/ Magnetic Base/ Magnetic Frame/
Hot Air Recycling/ Ground Frame / Mobile Collection Bin / Suction
Box and other accessories can be optional
Double-layer insulation cylinder function can be optional
HLINK networking function can be optional